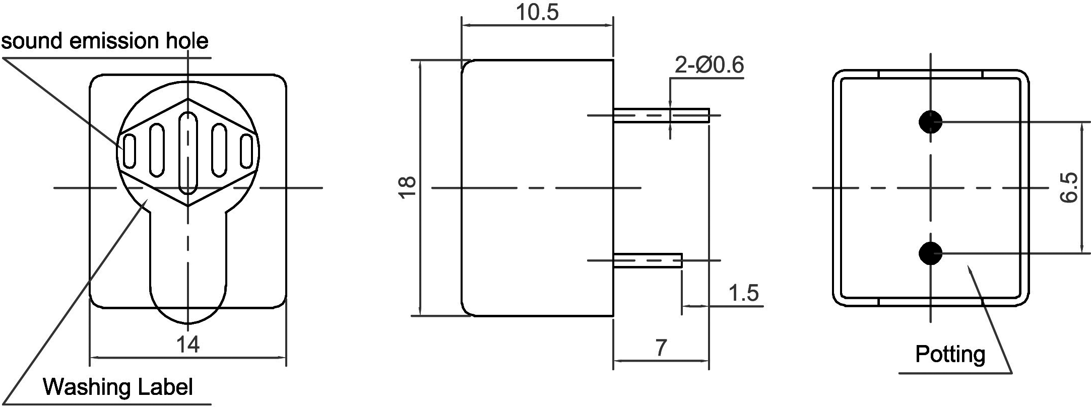
Magnetic Transducer (AC)



| Part No. | Diameter Φ (mm) | Height (mm) | Operating Voltage (VAC) | Rated Voltage (VAC) | Max Rated Current (mA) | Coil Resistance (Ω) | Min Sound Output (dBA) | Resonant Frequency (Hz) | Operating Tempature (°C) | Terminal | Housing | Weight (g) |
|---|---|---|---|---|---|---|---|---|---|---|---|---|
| CMT1810H2048NPR | 18 X 14 | 10.5 | 6 ~ 15 | 12 | 40 | 120 ± 18 | 85 @ 10cm | 2000 ~ 2500 | -30 ~ +85 | Pin | Noryl | 7 |
Please contact us for the datasheet of this product.







