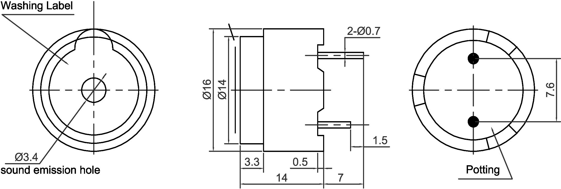
Magnetic Transducer (AC)



| Part No. | Diameter Φ (mm) | Height (mm) | Operating Voltage (VAC) | Rated Voltage (VAC) | Max Rated Current (mA) | Coil Resistance (Ω) | Min Sound Output (dBA) | Resonant Frequency (Hz) | Operating Tempature (°C) | Terminal | Housing | Weight (g) |
|---|---|---|---|---|---|---|---|---|---|---|---|---|
| CMT1614F2048NPT | 16 | 14 | 3 ~ 12 | 6 | 40 | 50 ± 6 | 85 @ 10cm | 2048 | -25 ~ +70 | Pin | Noryl | 7 |
Please contact us for the datasheet of this product.







